Глава 5. Сложно: инструменты и приемы черчения

Содержание

5.1. Черчение в режимах «ОРТО» и «ОТС=ПОЛЯР»
5.1.1. Использование режима «ОРТО» и инструмента «Нормаль»
5.1.2. Инструменты «Смещение» и «Конточка» в режиме «ОРТО»
5.1.3. Инструмент «Точка отслеживания»
5.1.4. Использование режима «ОТС=ПОЛЯР»
5.2. Создание окружностей и дуг с помощью инструмента «Круг»
5.2.1. Использование инструмента «Прямоугольник» с режимами привязки «Точка отслеживания» и «Центр»
5.2.2. Использование инструмента «Переместить» и режима привязки «Середина»
5.2.3. Использование рамки выделения
5.2.4. Использование инструмента «Переместить» и режима привязки «Квадрант»
5.2.5. Разворот выделенных объектов и преобразование окружности в две дуги
5.3. Модификация свойств объектов
5.3.1. Использование инструмента «Круг» с режимами привязки «Точка отслеживания», «Пересечение» и «Круг»
5.3.2. Создание копии объекта с помощью инструмента «Зеркальное отражение» и режима привязки «Середина»
5.3.3. Создание копий объекта с помощью инструмента «Копировать» и режимов «Точка отслеживания», «Середина» и «Центр»
5.3.4. Одновременное использование режимов «Точка отслеживания» и «Смещение»
5.3.5. Изменение свойств объектов с помощью палитры «Свойства»
5.4. Завершающие этапы
5.4.1. Использование инструментов «Зумирование в реальном времени» и «Панорамирование в реальном времени»
5.4.2. Использование инструмента «Сопряжение» в режиме «Несколько»
5.4.3. Использование инструмента «Эллипс» с постоянно действующими режимами привязки
5.4.4. Использование инструмента «Прямоугольник» с постоянно действующими режимами привязки

В главе использованы материалы [KLIM].

5.1. Черчение в режимах «ОРТО» и «ОТС=ПОЛЯР»

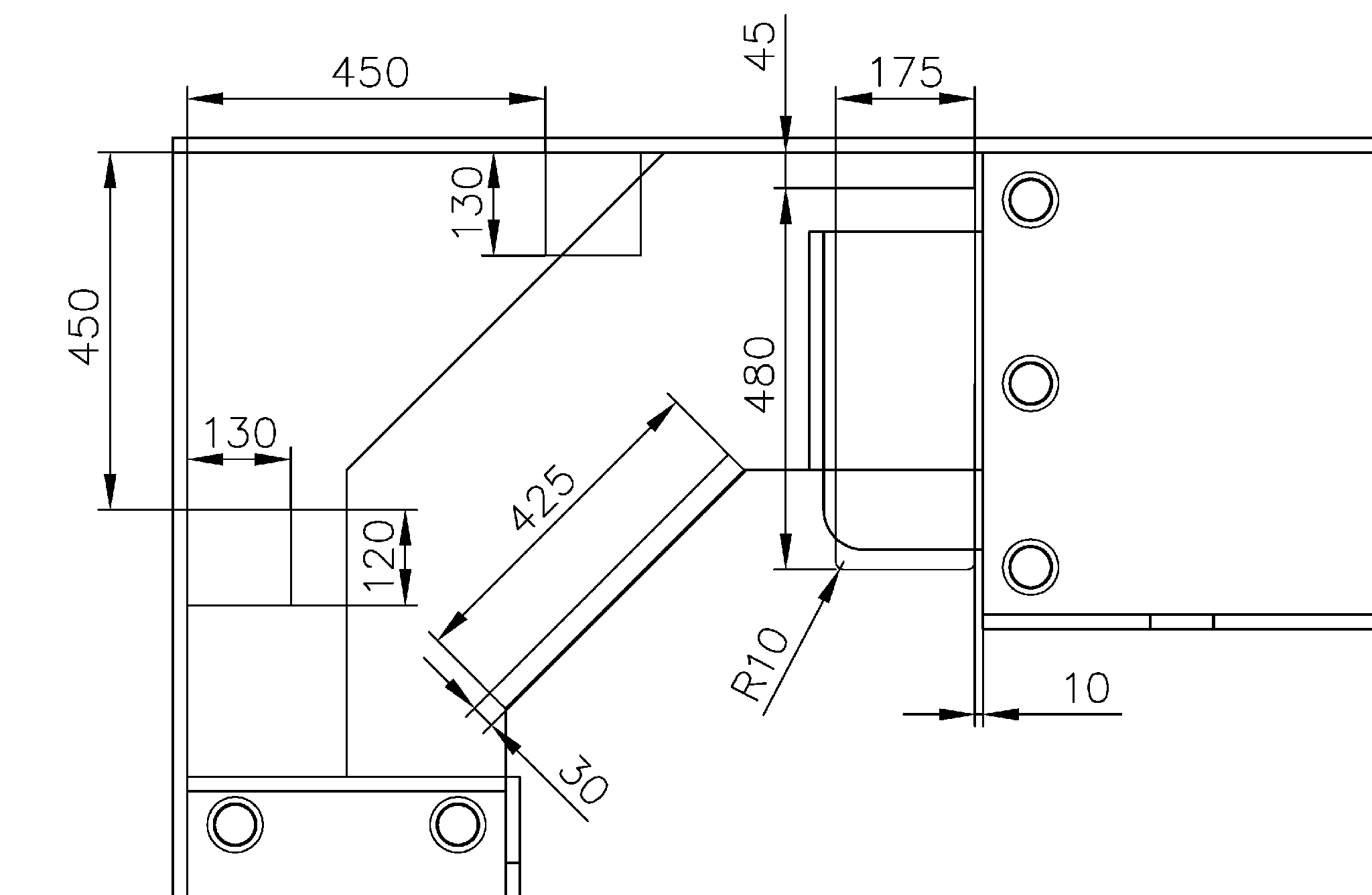
Мы начнем работу над перечисленными выше объектами, отталкиваясь не от размещения соответствующих элементов рабочей зоны по высоте, а от формы и расположения их на виде сверху. Такой подход позволит нам обсудить сходные инструменты и приемы черчения, а также хорошо увидеть, в чем они отличаются. В частности, на рис. 5.2 приведены размеры прямолинейных элементов, которые сосредоточены в угловой части рабочей зоны: полочки стоек подкомпакт_диски, порожек нижней полки и системный блок.

Полочки имеют прямоугольную форму и одинаковые размеры (120-130 мм). На рис. 5.2 показаны оба размера только одной полочки, поскольку для второй достаточно указать лишь один размер и расстояние от других элементов чертежа. Порожек имеет длину 425 мм и ширину 30 мм. На рис. 5.2 это не показано, чтобы не загромождать чертеж лишними размерами, но нижняя граница контура порожка не совпадает с линией нижней угловой полки, а выступает за последнюю на 2 мм, чтобы учесть толщину порожка, имеющего в сечении Г_образный профиль. Чертеж системного блока представляет собой прямоугольник размером 175 ??408 мм, отстоящий от стенки большой тумбы на 10 мм и от задней стенки рабочей зоны на 45 мм. Линия, обозначающая ребро лицевой грани системного блока, сопряжена с вертикальными линиями прямоугольника с радиусом 10 мм.

Рисунок 5.1. Чертеж 2

Чертеж 2

5.1.1. Использование режима «ОРТО» и инструмента «Нормаль»

Как видно из рис. 5.2, полочки стоек компакт_дисков расположены симметрично и имеют одинаковые размеры. Логично предположить, что их можно создать с помощью одинаковых приемов черчения или вообще получить второй экземпляр соответствующего объекты путем копирования или зеркального отображения. Однако мы создадим их, во-первых, с помощью несколько различных приемов черчения, а во-вторых, будем использовать для этого режимы, с которыми вы пока не сталкивались.

1. Откройте чертеж рабочей зоны Work043-4.dwg и сохраните его в новом файле с именем Work051.dwg.

2. C помощью инструмента Окно зумирования измените масштаб просмотра так, как это показано на рис. 5.2  (верхний левый угол).

3. Запустите инструмент Отрезок и включите режим привязки Конточка. Выберите точку, которая находится на пересечении прямой и угловой части полки шириной 200 мм.

4. Щелкните на кнопке-индикаторе режим ОРТО для включения режима черчения с таким же названием. После этого переместите указатель-перекрестие влево от первой выбранной точки и понаблюдайте за тем, как ведет себя вычерчиваемая линия.

Примечание. В режиме ОРТО все линии чертятся строго по горизонтали либо строго по вертикали.

5. Щелкните на кнопке Нормаль панели инструментов Объектная привязка для включения режима объектной привязки к перпендикуляру.

6. Переместите указатель_перекрестие влево так, чтобы он оказался поблизости вертикальной линии контура левой боковой стенки рабочей зоны. Как только AutoCAD распознает точку падения перпендикуляра (рис. 5.3), щелкните для захвата координат этой точки, а затем нажмите Enter для завершения команды Отрезок.

7. Полученную линию мы используем в качестве вспомогательной. Полка шириной 200 мм переходит в угловую полку на расстоянии 400 мм от задней стенки рабочей зоны (см. рис. 4.3). Таким образом, если сместить полученную линию вниз на 50 мм, мы сможем воспользоваться полученной копией для привязки к ней первой линии контура прямоугольника, который будет представлять на чертеже полочку левой стойки. Выполните такое смещение с помощью инструмента Подобие, а затем удалите исходную линию, щелкнув на ней и нажав Delete.

Рисунок 5.2. Чертеж 3

Чертеж 3

8.  Запустите инструмент Отрехок и включите режим привязки Конточка. Выберите левую оконечную точку полученной линии. Переместите указатель_перекрестие вправо, не щелкая мышью. Поскольку режим ОРТО по_прежнему остается включенным, рядом с указателем_перекрестием будет отображаться всплывающая подсказка соответствующего содержания, а новая линия, длина которой будет изменяться при перемещении указателя, скроет под собой вспомогательную линию.

9. Введите в командном окне 130 (как видно из рис. 5.2, это длина прямоугольника, который нам нужно начертить).

10. Как только вы введете указанное в п. 9 значение, направление вычерчивания линии в режиме ОРТО автоматически изменится. При желании это направление можно изменить, но нас оно вполне устраивает. Убедившись в том, что новый сегмент линии направлен вниз, введите в командном окне 120.

11. Для завершения контура полочки нужно начертить лишь третий сегмент. Снова включите режим привязки Нормаль и, как показано на рис. 5.4, завершите черчение, щелкнув на распознанной AutoCAD точке падения перпендикуляра, а затем нажав Enter для завершения команды Отрезок.

Рисунок 5.3. Чертеж 4

Чертеж 4

12. Для придания контуру полочки окончательного вида щелкните на вспомогательной горизонтальной линии для ее выделения и нажмите Delete.

Как вы поняли, режим ОРТО весьма удобен для вычерчивания объектов прямоугольной формы: начертив очередной сегмент, нужно лишь ввести длину следующего сегмента, не задумываясь об относительных и абсолютных координатах, что, естественно, очень близко к тому, как мы чертим линии на бумаге. Единственная проблема заключается в том, что первую точку первой линии нужно к чему-то привязать. Понятно, что в реальных чертежах в подобных ситуациях, как и в рассмотренном только что примере, для этого придется либо создавать вспомогательные линии, либо… использовать инструмент объектной привязки Смещение.

5.1.2. Инструменты «Смещение» и «Конточка» в режиме «ОРТО»

Сейчас мы создадим контур второй полочки, но не станем для этого прибегать к созданию вспомогательной линии, а воспользуемся режимом привязки Смещение.

13. Запустите инструмент Отрезок, а затем щелкните на кнопке Смещение панели инструментов Объектная привязка. После включения режима Смещение сначала нужно задать точку, которая будет использоваться в качестве базовой. В нашем случае мы знаем расстояние от левого угла рабочей зоны до левой вертикальной линии контура вычерчиваемой полочки, которое составляет 450 мм (см. рис. 5.2). Поэтому логично выбрать в качестве базовой именно верхнюю точку внутренней вертикальной границы левой боковой стенки рабочей зоны, от которой на рис. 5.2 отсчитывается расстояние до контура полочки правой стойки.

14. Включите режим привязки Конточка и выберите в качестве базовой точку, показанную на рис. 5.5.

Рисунок 5.4. Чертеж 5

Чертеж 5

15. В командном окне после команды включения режиме Конточка, появится приглашение которое является вторым приглашением режима привязки Смещение. Введите @450,0.

16. AutoCAD тут же продолжит выполнение команды Отрезок  в режиме ОРТО, предлагая вам задать вторую точку первого сегмента ломаной линии (рис. 5.6).

Рисунок 5.5. Чертеж 5

Чертеж 5

17. Сместите указатель-перекрестие вниз для задания направления вычерчивания, как показано на рис. 5.6, и введите в командном окне 130.

18. Переместите указатель-перекрестие вправо от начерченной линии и введите в командном окне 120.

19. Переместите указатель-перекрестие вверх и либо воспользуйтесь режимом привязки Нормаль, либо просто введите в командном окне 130.

20. Нажмите Enter для завершения команды Отрезок. Контуры полочек обоих стоек для компакт-дисков созданы (рис. 5.7).

Рисунок 5.6. Чертеж 7

Чертеж 7

5.1.3. Инструмент «Точка отслеживания»

Режим Точка отслеживания или режим временного отслеживания точки привязки, подобен режиму Смещение, тем, что в нем также выбирается базовая точка и направление, в котором нужно сместить указтель-перекрестие от базовой точки для начала черчения. Однако режим Точка отслеживания обладает тем преимуществом, что при его использовании можно отказаться от необходимости использования относительных координат, которые необходимо вводить в режиме Смещение.

Примечание. Такой метод ввода координат, когда с помощью перемещения указателя_перекрестия сначала задается направление, а затем с клавиатуры вводится расстояние (как, например, при черчении в режиме ОРТО, без явного указания типа координат (как декартовых, так и полярных), в AutoCAD называется непосредственным вводом расстояния.

21. Запустите инструмент Отрезок, а затем щелкните на кнопке Точка отслеживания.

22. Включите режим привязки Конточка и переместите указатель_перекрестие к правой оконечной точке верхней горизонтальной линии контура тумбы системного блока. Как только AutoCAD распознает эту точку, щелкните для захвата ее координат в качестве точки отслеживания привязки. Выбранная точка будет помечена небольшим крестиком, а на линии указателя-перекрестия появится символ «??».

23. Переместите указатель влево по горизонтали так, задавая направление смещения. Появится изображение пунктирной линии и всплывающая подсказка (рис. 5.8).

Рисунок 5.7. Чертеж 8

Чертеж 8

24. Добившись появления пунктирной линии, введите в командном окне 10 (как видно из рис. 5.2, контур системного блока отстоит от контура большой тумбы на 10 мм).

25. Как вы помните из главы 2, расстояние между тумбой системного блока и задней стенкой рабочей зоны составляет 100 мм (см. рис. 4.3), а между системным блоком и задней стенкой – 45 мм (см. рис. 5.2). Поэтому переместите указатель_перекрестие вверх от полученной точки (рис. 5.9) и введите 55 (100 – 45 = 55 мм).

Рисунок 5.8. Чертеж 9

Чертеж 9

26. Дальнейшие операции создания контура системного блока, благодаря режиму ОРТО, тривиальны: переместите указатель_перекрестие влево и введите 175, затем переместите указатель_перекрестие вниз и введите 480, после чего переместите указатель_перекрестие вправо и введите 175, и, наконец, введите Замкнуть для получения замкнутого прямоугольного контура. Выполнение команды Отрезок на этом завершится.

27. Воспользуйтесь инструментом Сопряжение для сопряжения нижней горизонтальной и вертикальных линий с радиусом 10 мм. Сначала измените радиус, введя в ответ на приглашение AutoCAD Радиус и соответствующее значение. Затем выполните сопряжение нижней горизонтальной линии сначала с одной, а затем, после повторного запуска команды Сопряжение, – с другой вертикальной линией. Завершенный контур системного блока должен выглядеть так, как показано на рис. 5.10.

Рисунок 5.9. Чертеж 10

Чертеж 10

5.1.4. Использование режима «ОТС=ПОЛЯР»

Режим ОТС_ПОЛЯР, как и режим ОРТО можно включить или выключить с помощью кнопки-индикатора, находящейся в строке состояния. Следует заметить, что режимы ОТС_ПОЛЯР  и ОРТО  являются взаимоисключающими. Проще говоря, включив режим ОРТО, вы тем самым автоматически выключаете режим ОТС_ПОЛЯР (если последний, конечно был включен), и наоборот. Однако, прежде, чем приступить к использованию режима ОТС_ПОЛЯР для создания контура порожка, нам нужно будет выполнить некоторую настройку его параметров.

28. Щелкните на кнопке-индикаторе Полярное отслеживание  для включения режима ОТС_ПОЛЯР. Кнопка ОТС_ПОЛЯР должна принять вид, соответствующий нажатому состоянию, а кнопка ОРТО автоматически примет вид, соответствующий отжатому состоянию.

29. Щелкните на кнопке-индикаторе  Полярное отслеживание  МП  и выберите из открывшегося небольшого контекстного меню команду Настройка.

30. В появившемся окне Режимы рисования перейдите, если нужно, на вкладку Отслеживание, раскройте в группе Полярные углы список Шаг углов и выберите из него значение 45. Щелкните на кнопке OK.

31. Запустите инструмент Отрезок, включите режим привязки Конточка и выберите точку, которая находится на диагональном отрезке контура нижней полки ближе к контуру тумбы системного блока.

32. Переместите указатель-перекрестие от первой точки влево и вверх примерно под углом 45°. Если вы правильно зададите направление, AutoCAD распознает его, о чем можно будет судить по появлению пунктирной линии и всплывающей подсказке режима ОТС_ПОЛЯР, как показано на рис. 5.12.

Рисунок 5.10. Чертеж 12

Чертеж 12

33. Получив изображение, представленное на рис. 5.12, введите в командном окне значение 28 (30 – 2 = 28 мм).

34. AutoCAD создаст первый сегмент ломаной линии, расположенный подуглом 45° длиной 28 мм. Переместите указатель-перекрестие влево и вниз от второй точки полученного сегмента также примерно под углом 45°. Добившись изображения, представленного на рис. 5.13, введите в командном окне 425 (см. рис. 5.2).

Рисунок 5.11. Чертеж 13

Чертеж 13

35. AutoCAD создаст второй сегмент ломаной линии длиной 425 мм. Переместите указатель-перекрестие право и вниз от второй точки полученного сегмента примерно под углом 45°. Как только AutoCAD распознает нужное вам направление, введите в командном окне 30.

36. Создайте сегмент, параллельный второму сегменту также длиной 425 мм, но направленный вправо и вверх углом 45°.

37. Введите Замкнуть для автоматического завершения контура порожка.

38. Убедитесь с помощью инструмента Окно зумирования в том, что контур порожка создан правильно и выступает за контур нижней полки на 2 мм (рис. 5.14).

Рисунок 5.12. Чертеж 14

Чертеж 14