У режимов привязки в том виде, в котором мы их используем, есть один недостаток: их нужно постоянно включать. Так, при черчении четырех диагональных линий в предыдущем упражнении вам пришлось 8 раз щелкнуть на кнопке Конточка. Поневоле напрашивается вопрос, нельзя ли как-то решить эту проблему? Конечно, можно. Режимы привязки, включаемые с помощью кнопок панели инструментов Объектная привязка, а также контекстного меню, открываемого при щелчке в свободном месте области черчения, являются разовыми. Однако, в случае необходимости, пользователь может как включить эти режимы для постоянного использования, так и настроить общие параметры режимов привязки.
Давайте рассмотрим, как использовать постоянно действующие режимы привязки, на примере создания чертежа лампы (рис. 5.48).
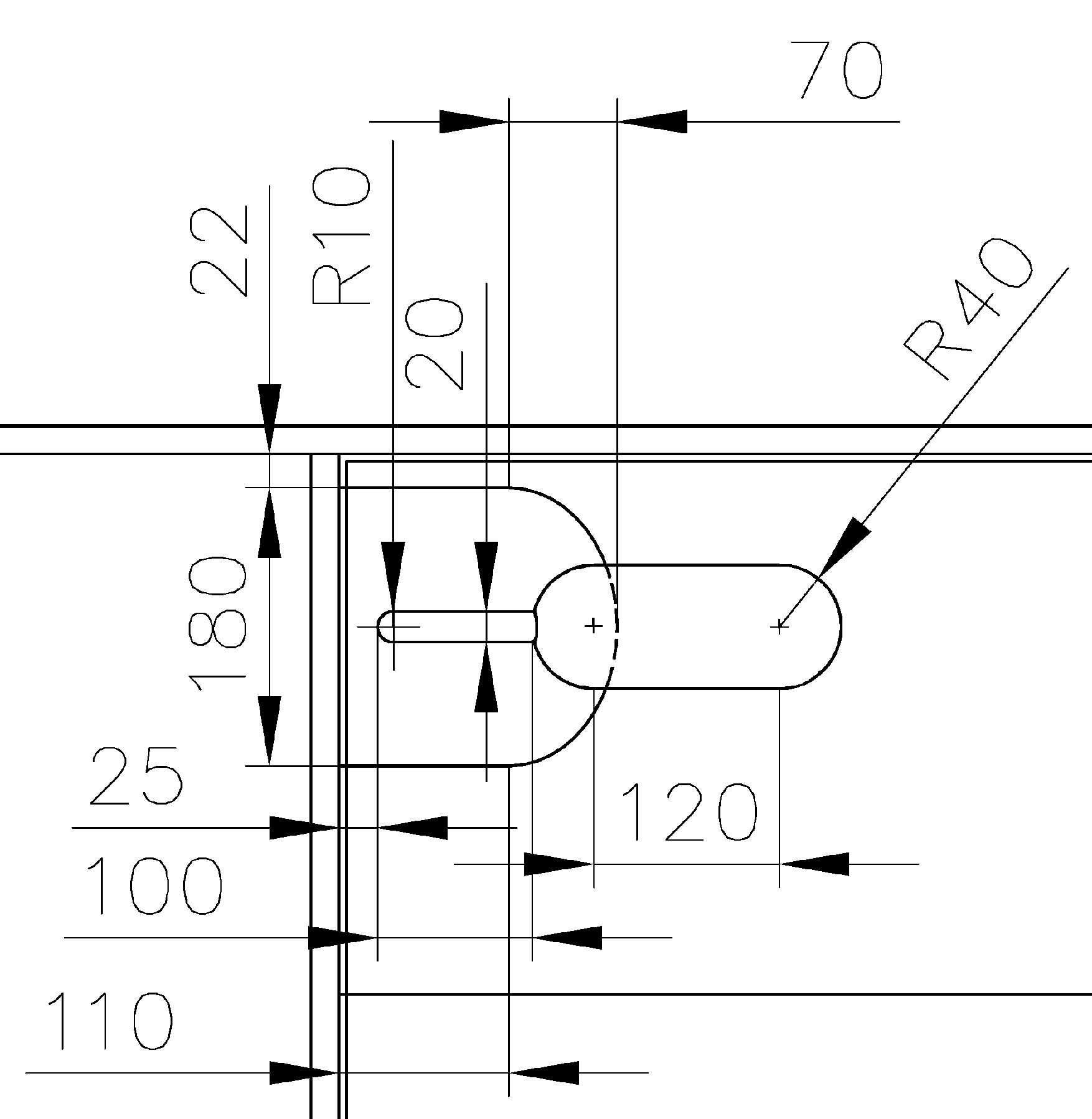
Чертеж лампы должен размещаться в левом верхнем углу контура парты. Как видно из рис. 5.48, он состоит из нескольких прямых линий и дуг. Три меньше дуги (одна – радиусом 10 мм и две – радиусом 40 мм), представляют собой половины окружностей, тогда как большая дуга – это половина эллипса. Вы, наверняка, догадываетесь, что при создании этого чертежа нам понадобятся такие режимы привязки, как Конточка, Cередина, Центр и Квадрант. Давайте посмотрим, как включить эти режимы привязки для постоянного использования.
143. Выберите из меню команду Сервис Режимы рисования.
144. В открывшемся окне Режимы рисования перейдите на вкладку Объектная привязка и установите флажки Конточка, Cередина, Центр и Квадрант, а также флажок Объектная привязка Вкл (F3).
145. Не щелкая на кнопке OK, щелкните на кнопке Настройка, которая находится в левом нижнем углу окна Режимы рисования. В открывшемся окне Настройка перейдите, если нужно, на вкладку Построения. Если хотите, можете с помощью бегунка Размер маркера автопривязки изменить размер этого маркера (впрочем, в подавляющем большинстве случаев во внесении подобных изменений нет особой необходимости). Убедитесь в том, что флажки Маркер, Магнит и Всплывающие подсказки автопривязки установлены, а флажок Прицел автопривязки сброшен, а затем щелкните на кнопке OK для возврата в диалоговое окно Режимы рисования.
146. Щелкните на кнопке OK диалогового окна Режимы рисования для его закрытия и включения постоянно действующих режимов привязки, соответствующих флажкам, которые были установлены вами на вкладке Объектная привязка этого окна.
Теперь вы избавлены от необходимости каждый раз вручную включать режимы привязки Конточка, Cередина, Центр и Квадрант, поскольку они будут действовать постоянно. (Конечно, если вам понадобиться какой-то другой режим привязки, например, Нормаль, придется включить его вручную.)
Совет. Начинающие пользователи часто пытаются включить сразу все режимы привязки. Делать этого не нужно, поскольку в таком случае AutoCAD будет постоянно распознавать все характерные точки чертежа, что, скорее, усложнит вашу работу, чем облегчит ее. Кроме того, даже небольшой набор постоянно действующих режимов привязки в некоторых случаях может усложнить задачу выбора точки. В таком случае можно нажать F3 для отключения сразу всех постоянно действующих режимов привязи, затем воспользоваться наиболее подходящим разовым режимом, после чего снова включить набор постоянно действующих режимов с помощью повторного нажатия F3. Тот же эффект достигается при щелчке на кнопке_индикаторе ПРИВЯЗКА.
147. Охватите рамкой масштабирования фрагмент чертежа, показанный на рис. 5.51.
148 После увеличения изображения выбранного фрагмента запустите инструмент Подобие и сместите вниз внутреннюю горизонтальную линию контура задней стенки рабочей зоны на 22 мм (см. рис. 5.48).
149. Снова запустите инструмент Подобие и сместите вниз только что созданную линию на 180 мм.
150. Сместите две созданные в п. 148 и 149 линии вниз и вверх внутрь будущего контура основания лампы на 80 мм.
151. Повторите операцию, указанную в п. 150, но на этот раз сместите те же линии в том же направлении на расстояние 50 мм.
152. Теперь сместите левую вертикальную наружную границу контура стенки выдвижного ящика (рис. 5.52) вправо на 35 мм, затем на 110 мм, затем ее же – на 125 мм.
153. Сместите вертикальную линию, созданную последней, вправо на 40 мм, а затем полученную линию – еще вправо на 120 мм.
154. Теперь начнем выполнять сопряжение линий для формирования контура лампы. Запустите инструмент Сопряжение и выполните сопряжение линий, созданных в пп. 148 и 149, со второй линией, созданной в п. 152 (она отстоит от левой вертикальной наружной границы контура стенки выдвижного ящика на 110 мм).
155. Запустите инструмент Обрезать и обрежьте сегменты только что сопряженных горизонтальных линий, используя левую вертикальную наружную границу контура стенки выдвижного ящика в качестве секущего ребра. Результат должен быть таким, как показано на рис. 5.53.
156 Теперь, руководствуясь рис. 5.48, выполните сопряжение контура плафонодержателя. (Не забывайте о возможности применения режима Несколько при использовании инструмента Сопряжение)
157 Получив изображение, показанное на рис. 5.54, продолжите использовать инструмент Сопряжение для сопряжения оставшихся четырех линий, образующих прямоугольную часть плафона.
158. Все предыдущие операции вы выполняли, не используя объектной привязки (хотя, вероятно, обратили внимание на то, что когда вы перемещаете указатель над чертежом, AutoCAD распознает опорные точки). Теперь настала пора задействовать режимы постоянно действующей привязки для создания остальных элементов чертежа лампы. Запустите инструмент Круг и подведите указатель-перекрестие к середине левой вертикальной линии прямоугольного контура плафонодержателя.
159. Когда AutoCAD распознает среднюю часть отрезка (рис. 5.55), щелкните для захвата координат этой точки в качестве координат центра будущей окружности.
160. Переместите указатель вверх к левой оконечной точке верхнего горизонтального отрезка контура плафонодержателя. AutoCAD тут же распознает эту точку, используя режим привязки Конточка. Вам остается лишь щелкнуть для задания радиуса, и окружность тут же появится на чертеже.
161. Создайте подобным образом две окружности радиусом 40 мм на плафоне лампы, затем обрежьте все три окружности по вертикальным линиям, после чего удалите эти вертикальные линии, чтобы чертеж принял вид, показанный на рис. 5.56.
162. Выберите из меню команду Рисование Эллипс Ось, конец.
163. Переместите указатель-перекрестие к верхней оконечной точке вертикальной линии, которая обозначает правую границу контура основания лампы, и, как только AutoCAD автоматически распознает ее в режиме Конточка, щелкните для захвата координат этой точки в качестве координат первой точки оси эллипса.
164. Повторите действия, выполненные в п. 163, но для нижней точки этого же вертикального отрезка.
165. AutoCAD предложит в командном окне задать значение, которое должно равняться половине длины второй оси эллипса. Эту величину можно было бы задать с помощью динамически отображаемого эллипса (рис. 5.57), однако поскольку у нас нет точки, чтобы привязаться к ней, просто введите в командном окне 70 (см. рис. 5.48).
166. Для завершения формирования чертежа лампы обрежьте левую половину эллипса по линии его большой оси, а затем удалите эту линию. Кроме того, используя в качестве секущих горизонтальные линии плафона, обрежьте оставшуюся часть эллипса, как показано на рис. 5.58.