6.3.5. Копирование объектов со слоя на слой со смещением

Как вы убедились, использование копирования объектов со слоя на слой – это очень удобный и эффективный метод работы со слоями. Давайте продолжим овладение этим методом, в том числе и применяя копирование со смещением.

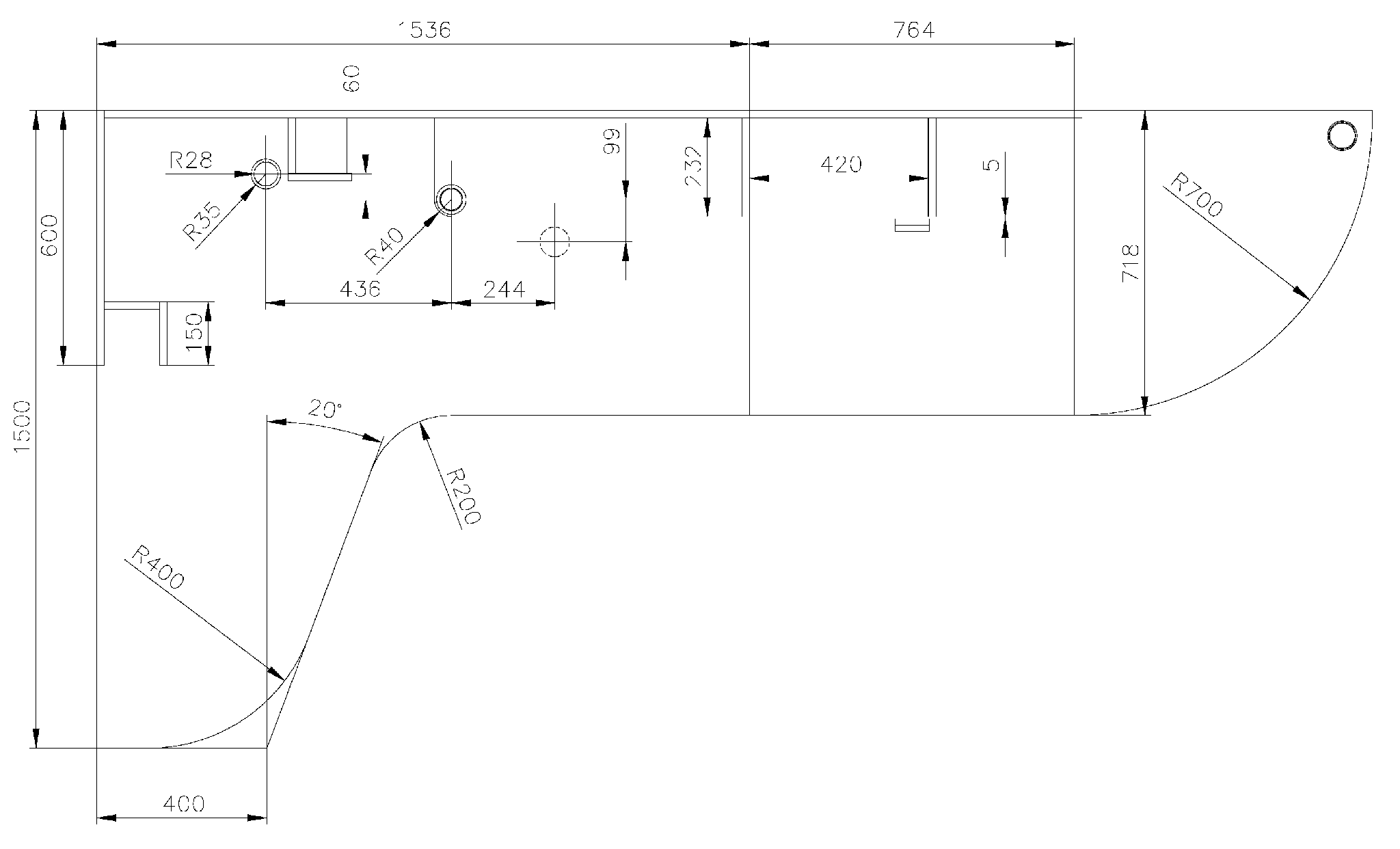
На рис. 6.32 представлены геометрические размеры объектов рабочей

зоны, находящиеся над столешницей на уровне 1090 мм от пола (оборудование не показано).

Рисунок 6.19. Чертеж 32

Чертеж 32

Мы начнем с вычерчивания столешницы на слое Высота 758, а затем перейдем к созданию расположенных над ней элементов.

83. Назначьте текущим слой Высота 758 и заморозьте все остальные слои, содержащие объекты, кроме нулевого слоя.

84. Скопируйте на слой Высота 758 вертикальную и горизонтальную габаритные линии рабочей зоны, а затем заморозьте нулевой слой.

85. С помощью команды Подобие сместите вертикальную линию влево на 3000 мм.

86. Нажмите Enter для завершения команды Подобие, а затем щелкните МП в любом свободном месте области черчения.

87. Выберите из появившегося контекстного меню команду Повторить ПОДОБИЕ.

88. AutoCAD автоматически снова запустит команду Подобие, предлагая вам использовать смещение 3000 мм. Задайте смещение 1500 мм и примените его для смещения нижней горизонтальной линии вверх.

89. Нажмите Enter для завершения команды Подобие.

Получив базовые линии, можно перейти к вычерчиванию столешницы. Получить нужный результат, как это часто бывает в AutoCAD, можно разными способами, поэтому вы можете как применить следующий алгоритм, так и использовать собственный.

90. Сместите верхнюю горизонтальную линию габаритов рабочей зоны вниз на 718 мм.

91. Сместите левую вертикальную линию габаритов рабочей зоны вправо на 400 мм.

92. Запустите инструмент Отрезок и выберите с использованием постоянно действующей объектной привязки в качестве начальной точки нижнюю точку линии, созданной в п. 91 (рис. 6.34).

Рисунок 6.20. Чертеж 34

Чертеж 34

93. Включите, если нужно, режим ОТС_ПОЛЯР, щелкнув на кнопке_индикаторе ОТС_ПОЛЯР (POLAR) в строке состояния.

94 Щелкните на кнопке_индикаторе ОТС_ПОЛЯР МП выберите из контекстного меню команду Настройка.

Как вы помните, в предыдущей главы мы выбрали режим отслеживания полярных углов, кратных 45°. В данном случае нас это не устраивает, поэтому это значение нужно изменить.

95.. На вкладке Отслеживание диалогового окна Режимы рисования убедитесь в том, что установлен флажок

Полярное отслеживание Вкл (F10), а затем выберите из раскрывающегося списка Шаг углов группы Полярные углы значение 10. Теперь в режиме ОТС_ПОЛЯР (POLAR) AutoCAD будет отслеживать значения полярных углов, кратных 10°.

96. Щелкните на кнопке OK для закрытия диалогового окна Режимы рисования.

97. Поперемещав указатель_перекрестие по экрану, убедитесь в том, что AutoCAD отслеживает углы, кратные 10°. Добившись такого положения указателя_перекрестия, которое соответствует величине 70°, переместите указатель в произвольную точку, которая находится выше средней горизонтальной линии (рис. 6.35) и щелкните для создания отрезка, а затем нажмите Enter для завершения команды Отрезок.

Рисунок 6.21. Чертеж 35

Чертеж 35

98. Запустите команду Сопряжение, измените установленный по умолчанию радиус сопряжения на 200 мм, а затем выполните сопряжение только что созданной наклонной линии со средней горизонтальной линией.

99. Руководствуясь рис. 6.32, повторите два раза команду Сопряжение, выполнив первый раз сопряжение с радиусом 700 мм средней горизонтальной и правой вертикальной линий, а второй раз – с радиусом 400 мм наклонной и нижней горизонтальной линий.

100. Удалите вспомогательную вертикальную линию. Чертеж должен иметь вид, представленный на рис. 6.36.

Рисунок 6.22. Чертеж 36

Чертеж 36

Теперь нужно вернуться к рис. 6.32 и прокомментировать его. В столешнице (в той части, которая находится за дисплеем) выполнено отверстие для вывода кабелей от оборудования к системному блоку компьютера. Это отверстие закрыто декоративной пластмассовой заглушкой – такие заглушки часто применяются в подобных целях в офисной мебели. Однако с точки зрения черчения, элементы, образующие контуры заглушки, ничем принципиально не отличаются от элементов, образующих контуры нижних опор. Поэтому на рис. 6.32 расположение верхних опор, а также заглушки столешницы (вторая заглушка находиться на полке принтера) показано относительно расположения средней опоры большой тумбы (обозначена на рис. 6.32 штриховой линией). Давайте создадим нужный нам объект и изучим метод копирования объектов со слоя на слой со смещением.

101. Разморозьте слой Высота 720 и выделите все три окружности средней опоры большой тумбы (например, с помощью пересекающей рамки).

102. Запустите инструмент Копировать объекты в новый слой.

103. В ответ на приглашении AutoCAD выбрать слой, на который нужно скопировать объекты, щелкните на контуре столешницы.

104. AutoCAD предложит выбрать базовую точку для смещения. Подведите указатель_перекрестие к центру опоры и, добившись включения постоянно действующего режима объектной привязки Центр, щелкните для захвата координат этой точки (рис. 6.37).

105. AutoCAD предложит задать смещение. Введите в командном окне @–244,99 (см. рис. 6.32). Контур верхней опоры создан.

106. Повторите операции, описанные в пп. 2–5 применительно к только что созданному контуру верхней опоры, задав при копировании смещение @–436,60. Контур заглушки столешницы создан.

107. Заморозьте слой Высота 720, а затем переместите контур верхней опоры на слой Высота 1036 (если последний не заморожен, заморозьте его).

108. Измените масштаб просмотра так, чтобы контур заглушки занимал всю область черчения, и внесите изменения в чертеж объекта: удалите одну  из окружностей, а для двух других с помощью установите радиусы равными 28 и 35 мм соответственно.

Совет. Проще всего изменить радиус окружности, воспользовавшись палитрой Свойства, которая, как вы помните, открывается с помощью кнопки Свойства панели инструментов Standard или команды Изменить Свойства.

109. Разделите внутреннюю окружность на две половины с помощью линии, используя постоянно действующий режим объектной привязки Квадрант. Верхняя половина представляет на чертеже декоративную крышку заглушки, а нижняя – собственно отверстие для вывода кабелей.

110. Восстановите предыдущий масштаб просмотра.

111. Для завершения чертежа столешницы сместите левую вертикальную линию ее контура вправо на 1536 мм, а затем полученную линию – вправо на 764 мм (см. рис. 6.32). Сместите верхнюю горизонтальную линию вниз на 250 мм (232 + 18 = 252 мм, см. рис. 6.32), а затем полученную линию – вниз на 5 мм.

112. Измените масштаб так, чтобы хорошо видеть область парты.

116. Обрежьте линии для образования контуров подвижной (внизу) и неподвижной (вверху) частей крышки парты (рис. 6.39).

117. Создайте под серединой верхней горизонтальной линии контура подвижной части крышки парты прямоугольник, представляющий на чертеже вырез под ручку, как показано на рис. 6.39 (ширина – 80 мм, высота – 30 мм), а затем разделите его по горизонтали на две равные части линией, представляющей контур ручки (используйте режим привязки Середина).

Совет.  Сначала нужно создать прямоугольник, используя режим привязки Середина  к середине верхней линии контура подвижной крышки и относительные координаты (в данном случае – @80,–30). Затем остается сместить этот прямоугольник с помощью инструмента Переместить  и режима привязки к середине верхней линии (базовая точка) и к оконечной точке (смещение) верхнего левого угла исходного прямоугольника

Рисунок 6.23. Чертеж 39

Чертеж 39